Dao cắt PCD, CCGW
(Dao tiện PCD, Dao phay PCD,Dao doa PCD,Dao tiện rãnh PCD,Dao tiện ren PCD)
Thông số kỹ thuật
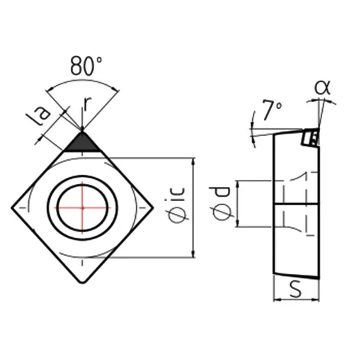
| Mã Code | Mã ANSI | Mảnh | Chiều dài cạnh cắt | Đường kính lỗ | Độ dày | Rake | Bán kính mũi dao | Chiều dài mảnh dao |
| ic | Ød | s | α | r | la | |||
| CCGW2(1.5)(0.5) | 1N | 6.35 | 2.8 | 2.38 | 0° | 0.2 | 2.5 | |
| CCGT2(1.5)(0.5) | 1N | 6.35 | 2.8 | 2.38 | 5° | 0.2 | 2.5 | |
| CCGT2(1.5)(0.5) | 1N | 6.35 | 2.8 | 2.38 | 10° | 0.2 | 2.5 | |
| CCGW2(1.5)1 | 1N | 6.35 | 2.8 | 2.38 | 0° | 0.4 | 2.5 | |
| CCGT2(1.5)1 | 1N | 6.35 | 2.8 | 2.38 | 5° | 0.4 | 2.5 | |
| CCGT2(1.5)1 | 1N | 6.35 | 2.8 | 2.38 | 10° | 0.4 | 2.5 | |
| CCGW2(1.5)(0.5) | 2N | 6.35 | 2.8 | 2.38 | 0° | 0.2 | 2.5 | |
| CCGT2(1.5)(0.5) | 2N | 6.35 | 2.8 | 2.38 | 5° | 0.2 | 2.5 | |
| CCGT2(1.5)(0.5) | 2N | 6.35 | 2.8 | 2.38 | 10° | 0.2 | 2.5 | |
| CCGW2(1.5)1 | 2N | 6.35 | 2.8 | 2.38 | 0° | 0.4 | 2.5 | |
| CCGT2(1.5)1 | 2N | 6.35 | 2.8 | 2.38 | 5° | 0.4 | 2.5 | |
| CCGT2(1.5)1 | 2N | 6.35 | 2.8 | 2.38 | 10° | 0.4 | 2.5 | |
| CCGW3(2.5)(0.5) | 1N | 9.525 | 4.4 | 3.97 | 0° | 0.2 | 2.5 | |
| CCGT3(2.5)(0.5) | 1N | 9.525 | 4.4 | 3.97 | 5° | 0.2 | 2.5 | |
| CCGT3(2.5)(0.5) | 1N | 9.525 | 4.4 | 3.97 | 10° | 0.2 | 2.5 | |
| CCGW3(2.5)1 | 1N | 9.525 | 4.4 | 3.97 | 0° | 0.4 | 2.5 | |
| CCGT3(2.5)1 | 1N | 9.525 | 4.4 | 3.97 | 5° | 0.4 | 2.5 | |
| CCGT3(2.5)1 | 1N | 9.525 | 4.4 | 3.97 | 10° | 0.4 | 2.5 | |
| CCGW3(2.5)2 | 1N | 9.525 | 4.4 | 3.97 | 0° | 0.8 | 2.5 | |
| CCGT3(2.5)2 | 1N | 9.525 | 4.4 | 3.97 | 5° | 0.8 | 2.5 | |
| CCGT3(2.5)2 | 1N | 9.525 | 4.4 | 3.97 | 10° | 0.8 | 2.5 | |
| CCGW3(2.5)(0.5) | 2N | 9.525 | 4.4 | 3.97 | 0° | 0.2 | 2.5 | |
| CCGT3(2.5)(0.5) | 2N | 9.525 | 4.4 | 3.97 | 5° | 0.2 | 2.5 | |
| CCGT3(2.5)(0.5) | 2N | 9.525 | 4.4 | 3.97 | 10° | 0.2 | 2.5 | |
| CCGW3(2.5)1 | 2N | 9.525 | 4.4 | 3.97 | 0° | 0.4 | 2.5 | |
| CCGT3(2.5)1 | 2N | 9.525 | 4.4 | 3.97 | 5° | 0.4 | 2.5 | |
| CCGT3(2.5)1 | 2N | 9.525 | 4.4 | 3.97 | 10° | 0.4 | 2.5 | |
| CCGW3(2.5)2 | 2N | 9.525 | 4.4 | 3.97 | 0° | 0.8 | 2.5 | |
| CCGT3(2.5)2 | 2N | 9.525 | 4.4 | 3.97 | 5° | 0.8 | 2.5 | |
| CCGT3(2.5)2 | 2N | 9.525 | 4.4 | 3.97 | 10° | 0.8 | 2.5 | |
| CCGW43(0.5) | 1N | 12.7 | 5.5 | 4.76 | 0° | 0.2 | 2.5 | |
| CCGT43(0.5) | 1N | 12.7 | 5.5 | 4.76 | 5° | 0.2 | 2.5 | |
| CCGT43(0.5) | 1N | 12.7 | 5.5 | 4.76 | 10° | 0.2 | 2.5 | |
| CCGW431 | 1N | 12.7 | 5.5 | 4.76 | 0° | 0.4 | 2.5 | |
| CCGT431 | 1N | 12.7 | 5.5 | 4.76 | 5° | 0.4 | 2.5 | |
| CCGT431 | 1N | 12.7 | 5.5 | 4.76 | 10° | 0.4 | 2.5 | |
| CCGW432 | 1N | 12.7 | 5.5 | 4.76 | 0° | 0.8 | 2.5 | |
| CCGT432 | 1N | 12.7 | 5.5 | 4.76 | 5° | 0.8 | 2.5 | |
| CCGT432 | 1N | 12.7 | 5.5 | 4.76 | 10° | 0.8 | 2.5 | |
| CCGW43(0.5) | 2N | 12.7 | 5.5 | 4.76 | 0° | 0.2 | 2.5 | |
| CCGT43(0.5) | 2N | 12.7 | 5.5 | 4.76 | 5° | 0.2 | 2.5 | |
| CCGT43(0.5) | 2N | 12.7 | 5.5 | 4.76 | 10° | 0.2 | 2.5 | |
| CCGW431 | 2N | 12.7 | 5.5 | 4.76 | 0° | 0.4 | 2.5 | |
| CCGT431 | 2N | 12.7 | 5.5 | 4.76 | 5° | 0.4 | 2.5 | |
| CCGT431 | 2N | 12.7 | 5.5 | 4.76 | 10° | 0.4 | 2.5 | |
| CCGW432 | 2N | 12.7 | 5.5 | 4.76 | 0° | 0.8 | 2.5 | |
| CCGT432 | 2N | 12.7 | 5.5 | 4.76 | 5° | 0.8 | 2.5 | |
| CCGT432 | 2N | 12.7 | 5.5 | 4.76 | 10° | 0.8 | 2.5 |
Cấp độ PCD & Thông số cắt gọt
| Khuyến nghị cắt gọt | Kim loại màu | ||
| Cấp độ PCD | PD10 | PD20 | PD30 |
| Vật liệu gia công | Hợp kim nhôm | Hợp kim nhôm silicon thấp | Hợp kim nhôm silicon cao |
| Tốc độ cắt (m/phút) | 750(500-1000) m/phút | 500 (300-800) m/phút | 350 (200-500) m/phút |
| Lượng chạy dao / vòng (Fn) | 0.15(0.03-0.3) mm/vòng | 0.15 (0.03-0.3) mm/vòng | 0.15(0.03-0.3) mm/vòng |
Cấp độ PCDComparison
| Class | Winice | Tungaloy | Mitsubishi | Sumitomo | Sandvik | Kyocera | Hitachi | Dijet | NTK | Seco | Kennametal | Iscar | Taegutec | Widia | Walter | Ceratizit | Centech -EG |
ZCC.CT | |
| N | N10 | PD10 | DX140 | MD205 MD220 |
DA150 | CD10 | KPD001 KPD010 KPD230 |
JDA715 | PD1 | PCD05 PCD10 PCD20 |
KD100 KD1400 KD1425 |
ID5 | KP500 | WDN25U | WCD10 | CTD4125 CTD4110 |
MD02 | DN1011 DN0511 |
|
| N20 | PD20 | DX120 | MD220 MD230 |
DA2200 DA1000 |
CD10 | KPD001 KPD010 KPD230 |
JDA715 | PD1 | PCD05 PCD20 |
KD1425 | ID8 | KP300 | WDN25U | WCD10 | CTD4205 | MD04 MD03 |
DN1031 | ||
| N30 | PD30 | DX110 | MD230 | DA2200 DA1000 |
JDA10 | PCD20 PCD30 PCD30M |
ID8 | KP100 | MD01 | DN3021 | |||||||||